BT401紅外發光二極管
一、用途:
在光電自動控制、光電自動控制及紅外鑒偽中作紅外光發射源。
二、光電參數:
名稱 | 符號 | 測試條件 | 最小值 | 典型值 | 最大值 | 單位 |
正向電壓 | VF | IF=20mA | 1.3 | 1.4 | V | |
反向電流 | IR | VR= 6V | 10 | μA | ||
發光功率 | P0 | IF=20mA | 2.5 | mW | ||
峰值波長 | λP | IF=20mA | 940 | nm | ||
光譜帶寬 | △λ | IF=20mA | 45 | nm | ||
半功率角 | △θ | ±15 | deg | |||
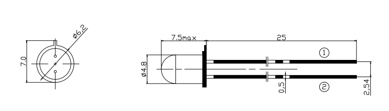
封裝形式 | Φ4.8mm,鍍金金屬帽,玻璃球透鏡 | |||||
三、極限參數:
名稱 | 符號 | 參數 | 單位 | 名稱 | 符號 | 參數 | 單位 |
反向電壓 | VR | 6 | V | 功耗 | PM | 140 | mw |
正向電流 | IF | 100 | mA | 工作溫度 | TOp | -30~+70 | ℃ |
脈沖電流 | IFP | 1 | A | 儲存溫度 | Tstg | -30~+80 | ℃ |
四、外形圖

